11. 조립식 안전난간

1) 재료

가. 조립식 안전난간(이하 “안전난간”이라 한다.)의 재료는 표 1에 적합하거나 이와 동등 이상의 기계적 성질을 가진 것을 사용해야 한다.

<표 1> 안전난간의 재료

구성 부분

재          질

기둥재 및
수평난간대

강관

 KS D 3566(일반구조용 탄소강관)의 STK400

각형강관

 KS D 3568(일반구조용 각형강관)의 SPSR400

형강

 KS D 3503(일반구조용 압연강재)의 SS330

설치용 철물

 KS D 3501(열간압연 연강판 및 강대)의 SPHC 또는
 KS D 3503(일반구조용 압연강재)의 SS330

나. 안전난간은 손상, 변형 또는 부식이 없는 것이어야 한다.

2) 구조

가. 안전난간은 그림 1과 같이 기둥재, 기둥을 구조물에 고정하기 위한 고정부, 수평 난간대 체결부 등이 있는 안전난간 기둥과 수평난간대로 구성된 구조이어야 한다. 다만, 꽂이용 안전난간 기둥은 고정부를 생략하는 대신 고정되는 부위에서 핀 또는 볼트 등을 이용하여 이탈되지 않는 구조이어야 한다.

가)슬래브용 및 철골용   나)발코니용        다)꽂이용

[그림 1] 안전난간 기둥(참조그림)

나. 안전난간 기둥의 높이는 900㎜ 이상이어야 한다. 이때 안전난간 기둥의 높이는 다음과 같이 한다.

1) 슬래브용 및 철골용 안전난간 기둥의 높이는 고정부의 체결 두께를 최대로 하였을 때 상판 윗면에서 상부 수평 난간대 상단까지의 길이로 할 것

2) 발코니용 안전난간 기둥의 높이는 발코니 치켜 올림부 윗면에서 상부 수평난간대 상단까지의 길이로 할 것

3) 꽂이용 안전난간 기둥의 높이는 꽂이부를 제외한 길이로 하고 꽂이부 길이는 최소 95㎜ 이상으로 한다.

다. 기둥재 및 수평난간대에 사용되는 강재는 표 2에 따른다.

<표 2> 기둥재 및 수평난간대 치수

단면형태

치   수

기둥재

수평난간대

강      관

Ø34.0㎜ 이상

Ø27.2㎜ 이상

각형강관

30x30㎜ 이상

25x25㎜ 이상

형      강

40x40㎜ 이상

40x40㎜ 이상

라. 안전난간 기둥의 수평 난간대 체결부는 다음과 같이 한다.

1) 클램프, U볼트, 쐐기 등을 사용하여 난간대를 견고하게 고정시킬 수 있는 구조이어야 하며 U볼트 끝단 또는 쐐기 등의 돌출부는 외부로 향하게 하거나 그렇지 못할 경우에는 매립형으로 하거나 돌출부에 덮개를 설치할 것

2) 수평난간대 간의 간격과 중간난간대와 상판 윗면(발코니 치켜 올림부 윗면) 사이의 간격이 각각 600㎜ 이하가 되도록 할 것

마. 안전난간 기둥의 고정부는 볼트 등을 사용하여 견고하게 고정시킬 수 있는 구조이어야 한다.

3) 성능

안전난간의 시험성능기준은 표 3에 따른다.

<표 3> 안전난간의 시험성능기준

부 재

항 목

시험성능기준

안전난간기둥

휨강도

 파괴되지 않을 것

수직처짐량

 100㎜ 이하

수평 난간대 체결부

휨강도

 파괴되지 않을 것

회전 방지 성능

 회전되지 않을 것

고정부

미끄러짐 시험

 미끄럼이 발생하지 않을 것
 하중을 제거한 후에도 체결부의 탈락이나
 헐거움 등의 이상이 발생하지 않을 것

수평 난간대

휨강도

 파괴되지 않을 것

수직처짐량

 50㎜ 이하

4) 시험

안전난간의 시험은 다음 각 목에 따른다.

가. 안전난간 기둥의 처짐 및 휨시험은 그림 2와 같이 체결두께가 최소인 경우에 대하여 고정대 A 및 고정대 B와 안전난간 기둥 사이의 간격이 10㎜ 이내가 되도록 안전난간 기둥을 고정시킨 후 상부의 수평 난간대 체결부 위치에 85㎏의 추를 매달아 처짐량을 구하고 160㎏의 추를 매달아 파괴유무를 조사한다. 다만, 꽂이용 안전난간 기둥은 제조자가 제출한 기둥재를 꽂을 수 있는 시험용 지그를 이용하여 시험한다. 이 경우 매다는 추에는 충격이 가해지지 않도록 해야 하며 체결 볼트 조임은 표 4의 값을 표준으로 한다.

가) 슬래브용                     나) 발코니용

[그림 2] 안전난간 기둥의 처짐 및 휨시험

나. 수평 난간대 체결부의 강도시험은 그림 3과 같이 상부의 수평 난간대 체결부에 적합한 강관 A를 연결하고 여기에 160㎏의 추를 매달아 수평 난간대 체결부의 파괴유무를 조사한다. 이 경우 매다는 추에는 충격이 가해지지 않도록 해야 하며 수평 난간대 체결부를 나사로 조절하는 방식인 경우에는 볼트 조임을 표 4의 값을 표준으로 한다.

[그림 3] 수평 난간대 체결부의 강도시험

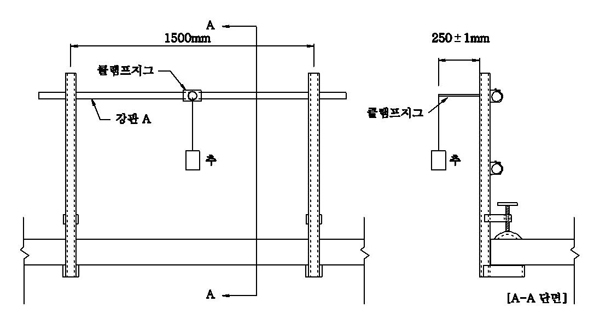
다. 수평 난간대 체결부의 회전방지 성능시험은 그림 4와 같이 2개의 안전난간 기둥을 1,500㎜ 간격으로 설치하고 상부 수평 난간대 체결부에 적합한 강관 A를 연결한 후 그 중앙에 클램프 지그를 고정한 다음 클램프 지그 끝에 추를 매달아 회전유무를 조사한다. 이 경우 매다는 추에는 충격이 가해지지 않도록 해야 하며 추의 질량(P)은 다음의 산식에 의하여 계산된 값으로 한다.

      P = 0.3×D㎏

     여기서 D는 강관 A의 바깥지름(㎜)이다.

[그림 4] 수평 난간대 체결부 회전방지 성능시험

라. 고정부 미끄러짐 시험은 그림 5와 같이 체결두께가 최소인 경우에 대하여 고정대 A와 안전난간 기둥 사이의 간격이 10㎜ 이내가 되도록 안전난간 간격을 고정시킨 후, 고정부의 체결두께 중심선상에 85㎏의 추를 매달아 고정부의 미끄러짐을 조사한다. 다만, 꽂이용 안전난간 기둥은 고정부 미끄러짐 시험을 하지 않는다. 이 경우 매다는 추에는 충격이 가해지지 않도록 해야 하며 고정볼트의 조임은 표 4의 값을 표준으로 한다.

가) 슬래브용                  나) 발코니용

[그림 5] 고정부 미끄러짐 시험

<표 4> 고정볼트의 조임값

볼트 지름

볼트 조임

볼트 지름

볼트 조임

10㎜ 미만

25,000N·㎜

16㎜

40,000N·㎜

10㎜

26,000N·㎜

18㎜

44,000N·㎜

12㎜

31,000N·㎜

20㎜

49,000N·㎜

14㎜

35,000N·㎜

22㎜ 이상

53,000N·㎜

마. 수평 난간대의 강도시험은 그림 6과 같이 2개의 안전난간 기둥을 2,000㎜의 수평 간격으로 설치하고 상부 수평 난간대 중앙부에 120kg 추를 매달아 수평 난간대의 처짐량을 구하고, 160㎏의 추를 매달아 파괴유무를 조사한다. 다만, 꽂이용 안전난간 기둥은 제조자가 제출한 기둥재를 꽂을 수 있는 시험용 지그를 이용하여 시험한다. 이 경우 매다는 추에는 충격이 가해지지 않도록 해야 하며 고정볼트의 조임은 표 4의 값을 표준으로 한다.

`
[그림 6] 수평난간대의 강도시험

바. 이 시험에 사용하는 강관 A, 고정대 A, 고정대 B 및 클램프 지그는 별표 24 제17호, 제23호 및 제24호의 규정에 따른다.