5-2. 틀형 비계용 교차가새

1) 재료

가. 틀형 비계용 교차가새 (이하“교차가새”이라 한다)의 재료는 표 8의 규정에 적합하거나 이와 동등 이상의 기계적 성질을 가진 것을 사용해야 한다.

<표 8> 교차가새의 재료

구성 부분

재         질

가새재

 KS D 3566(일반구조용 탄소강관) STK400

힌지핀

 KS D 3554(연강 선재) SWRM20

나. 교차가새의 각 부는 현저한 손상, 변형 또는 부식이 없어야 한다.


2) 구조

교차가새는 그림 4와 같이 가새재를 중앙부에서 힌지 핀으로 결합한 것이어야 하며

다음 각 목과 같이 한다.

가. 가새재의 바깥지름은 21.4㎜ 이상이어야 한다.

나. 가새재는 양 끝 부분에 지름 15.0㎜ 이하의 핀 구멍이 있고 핀 구멍 중심 사이의 거리는 2,300㎜ 이하이어야 한다.

다. 힌지핀의 지름은 6.8㎜ 이상이어야 한다.

[그림 4] 교차가새(참조그림)


3) 성능

교차가새의 압축강도는 7,500N 이상이어야 한다.


4) 시험

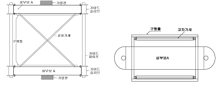
교차가새의 압축시험은 그림 14와 같이 상부보 A, 하부보 A, 가이드슬리브 및 가이드 파이프와 구형틀을 사용하여 시험기의 상·하 가압판 중심에 상부보 A 및 하부보 A와 구형틀의 중심을 일치시킨 상태에서 교차가새 2개를 한조로 하여 시험기에 부착하고 압축하중을 가하여 하중의 최대값을 측정한다. (이 경우, 교차가새 핀의 이탈방지기능을 작동시킨 상태에서 재하 속도는 분당 8㎜ 이하이고, 상부보 A 및 하부보 A, 가이드 슬리브 및 가이드 파이프와 구형틀은 각각 별표 24 제1호, 제2호 및 제10호의 규정에 따른다)

 

[그림 14] 교차가새의 압축시험